Cảm Biến Đo Chênh Áp PRE200D
Cảm biến đo chênh áp PRE200D là thiết bị đo lường chính xác, ổn định, lý tưởng cho môi trường ăn mòn và phức tạp như dầu thô, bùn và nước thải.
Model: PRE200D
HSX : PREMS - USA
Cảm biến đo chênh áp PRE200D là thiết bị đo lường tiên tiến, được thiết kế để đo sự chênh lệch áp suất trong nhiều ứng dụng công nghiệp và thương mại. Với công nghệ cảm biến silicon hiện đại và khả năng chống nhiễu cao, PRE200D mang lại độ chính xác và độ ổn định vượt trội. Thiết bị này lý tưởng cho các môi trường ăn mòn như dầu thô, bùn, và nước thải.

Đặc Điểm Nổi Bật
- Chống Nhiễu Hiệu Quả: Mạch kỹ thuật số tiên tiến giúp chống nhiễu tốt, đảm bảo độ chính xác trong mọi điều kiện.
- Công Nghệ Silicon Cộng Hưởng Tinh Thể Đơn: Mang lại hiệu suất vượt trội so với các công nghệ truyền thống.
- Màng Ngăn Trơ: Bảo vệ cảm biến khỏi môi trường ăn mòn, giúp đo lường chính xác trong các điều kiện khắc nghiệt.
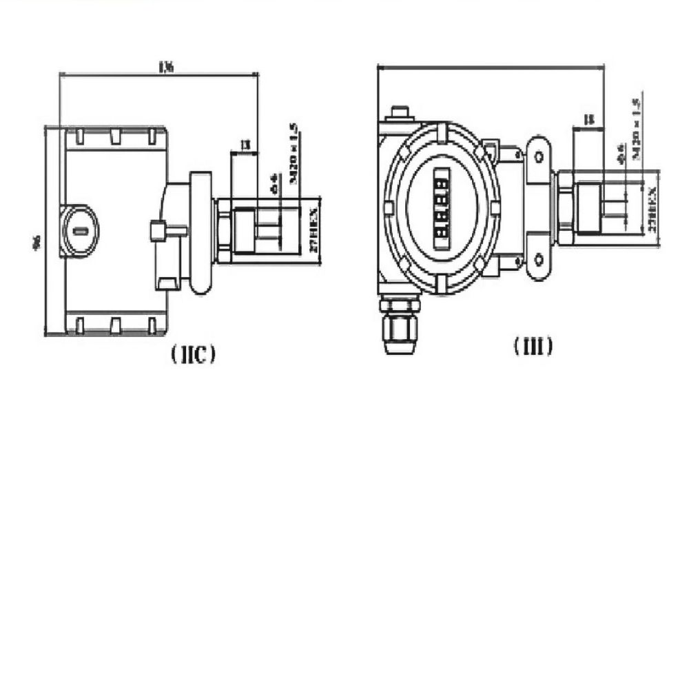
- Dễ Dàng Lắp Đặt và Bảo Trì: Kết nối mặt bích tiện lợi, giảm thời gian và chi phí bảo trì.
Ứng Dụng
Cảm biến đo chênh áp PRE200D được sử dụng rộng rãi trong nhiều lĩnh vực như:
- Vận Tải Biển và Hàng Không: Kiểm soát áp suất trong các hệ thống phức tạp.
- Điều Khiển Thủy Lực và Khí Nén: Giám sát và điều chỉnh áp suất chính xác.
- Dầu Khí và Hóa Chất: Đảm bảo quy trình sản xuất an toàn và hiệu quả.
- Điện Lực và Luyện Kim: Sử dụng trong các quy trình kiểm soát và giám sát áp suất.
- Thủy Văn: Đo lường và giám sát mực nước.

Thông Số Kỹ Thuật
- Loại Cảm Biến: Cảm biến áp suất chênh lệch
- Vật Liệu Màng: Tùy chọn vật liệu chịu axit khác nhau
- Độ Chính Xác: ±0,075% đến ±0,2% FS
- Độ Ổn Định: ±0,2%
- Giao Diện Truyền Thông: 420 mA, RS485
- Hiệu Ứng Nhiệt Độ: Nhỏ
- Hiệu Ứng Tĩnh: Ít
- Khả Năng Quá Tải: Lên đến 2 lần áp suất danh định
- Nguồn Cấp: 1224V DC
- Nhiệt Độ Làm Việc: 20 đến 85°C
- Cấp Bảo Vệ: IP65
- Kích Thước: 100 x 60 x 40 mm
- Trọng Lượng: 250g
Lợi Ích Khi Sử Dụng
- Hiệu Suất Cao: Đảm bảo hoạt động hiệu quả và chính xác trong các quy trình sản xuất.
- Bảo Trì Dễ Dàng: Giúp giảm thiểu chi phí bảo trì và thời gian ngừng hoạt động.
- Đa Dụng: Phù hợp với nhiều ngành công nghiệp khác nhau.
Cảm biến đo chênh áp PRE200D là lựa chọn lý tưởng cho việc giám sát và kiểm soát áp suất trong các hệ thống công nghiệp và thương mại. Với những tính năng và thông số kỹ thuật ấn tượng, PRE200D chắc chắn sẽ đáp ứng mọi yêu cầu về độ chính xác và độ tin cậy.
Thông tin liên hệ
THIẾT BỊ ĐO LƯỜNG PHÂN TÍCH
- Địa chỉ: 118/32/12/14 Thạnh Xuân 38, Khu Phố 3, Phường Thạnh Xuân, Quận 12, TPHCM
- Điện thoại: 0975 745 653
- E-mail: thietbidoluongphantich@gmail.com
- Website: thietbidoluongphantich.com
Xem thêm:
- HỆ THỐNG GIÁM SÁT NƯỚC MẶT TOÀN DIỆN
-
GIẢI PHÁP QUAN TRẮC NƯỚC DƯỚI ĐẤT THEO THÔNG TƯ 17/2021/TT-BTNMT




